T2N : 10 Nm - 459 Nm
1-stopniowa : 3 / 4 / 5 / 7 / 10 /
2-stopniowa : 15 / 16 / 20 / 25 / 30 / 35 / 40 / 50 / 70 / 100 /
1-stopniowa : < 6 - 8 arcmin
2 - stopniowa : < 8 - 10 arcmin
1-stopniowa : > 93%
2-stopniowa : > 90%
| Model nr | ilość stopni | Przełożenie | Typ | PNII 017 PNIIR017 |
PNII 023 PNIIR023 |
PNII 034 PNIIR034 |
PNII 042 PNIIR042 |
PNII 056 PNIIR056 |
|
| Nominalny moment wyjściowy T2N | Nm | 1 | 3 | - | 16 | 42 | 110 | 217 | 430 |
| 4 | 16 | 42 | 113 | 223 | 440 | ||||
| 5 | 15 | 40 | 118 | 220 | 435 | ||||
| 7 | 12 | 35 | 96 | 198 | 366 | ||||
| 10 | 10 | 27 | 68 | 155 | 295 | ||||
| 2 | 15 | 15 | 40 | 109 | 213 | 424 | |||
| 16 | 16 | 42 | 116 | 228 | 452 | ||||
| 20 | 16 | 42 | 116 | 230 | 454 | ||||
| 25 | 15 | 40 | 123 | 228 | 450 | ||||
| 30 | 15 | 40 | 108 | 212 | 422 | ||||
| 35 | 12 | 35 | 100 | 206 | 382 | ||||
| 40 | 16 | 43 | 117 | 232 | 459 | ||||
| 50 | 15 | 40 | 123 | 228 | 450 | ||||
| 70 | 12 | 35 | 100 | 206 | 382 | ||||
| 100 | 10 | 27 | 70 | 162 | 308 | ||||
| Przeciążeniowy moment krytyczny T2NOT | Nm | 1,2 | 3-100 | 3 razy T2N | |||||
| Maks. Moment przyśpieszenia | Nm | 1,2 | 3-100 | T2B = 60% z T2NOT | |||||
| Moment bez obciążenia (4) | Nm | 1 | 3 - 10 | PN II | 0,05 | 0,1 | 0,4 | 0,8 | 2,5 |
| PN IIR | 0,1 | 0,15 | 0,45 | 0,85 | 2,55 | ||||
| 2 | 15 - 100 | PN II | 0,05 | 0,1 | 0,3 | 0,4 | 0,8 | ||
| PN IIR | 0,1 | 0,15 | 0,35 | 0,45 | 0,85 | ||||
| Luz (2) | arcmin | 1 | 3 - 10 | PN II | < 8 | < 7 | < 6 | < 6 | < 6 |
| PN IIR | < 12 | < 11 | < 10 | < 10 | < 10 | ||||
| 2 | 15 - 100 | PN II | < 10 | < 9 | < 8 | < 8 | < 8 | ||
| PN IIR | < 14 | < 13 | < 12 | < 12 | < 12 | ||||
| Sztywność na skręcanie | Nm/arcmin | 1,2 | 3 - 100 | - | 0,9 | 1,5 | 6 | 12 | 14 |
| Nominalna prędkość wejściowa n1N | obr/min | 1,2 | 3 - 100 | - | 4500 | 4000 | 3600 | 3600 | 2500 |
| Maksymalna prędkość wejściowa n1B | obr/min | 1,2 | 3 - 100 | - | 8000 | 6000 | 6000 | 4800 | 3600 |
| Maks. Obciążenie promieniowe F2rB(3) | N | 1,2 | 3 - 100 | - | 480 | 1100 | 1580 | 3500 | 5420 |
| Maks. Obciążenie osiowe F2aB(3) | N | 1,2 | 3 - 100 | - | 240 | 550 | 790 | 1750 | 2710 |
| Żywotność | godz. | 1,2 | 3 - 100 | - | 20000 | ||||
| Temperatura pracy | °C | 1,2 | 3 - 100 | - | 0 °C - 90 °C | ||||
| Poziom ochrony | 1,2 | 3 - 100 | - | IP65 | |||||
| Smarowanie | 1,2 | 3 - 100 | - | Syntetyczny olej przekładniowy | |||||
| Pozycja zamocowania | 1,2 | 3 - 100 | - | Wszystkie kierunki | |||||
| Poziom hałasu(4) | dB (A) | 1,2 | 3 - 100 | PN II | ≤60 | ≤62 | ≤64 | ≤66 | ≤68 |
| PN IIR | ≤70 | ≤72 | ≤ 74 | ≤ 75 | ≤ 77 | ||||
| Maksymalny moment gnący Mb(2) | Nm | 1,2 | 3 - 100 | PN II | 5 | 12 | 22 | 45 | 54 |
| PN IIR | 3 | 6 | 10 | 17 | 19 | ||||
| Sprawność | % | 1 | 3 - 10 | PN II | ≥97% | ||||
| PN IIR | ≥93% | ||||||||
| 2 | 15 - 100 | PN II | ≥94% | ||||||
| PN IIR | ≥90% | ||||||||
1. Przełożenie (i =Nin / Nout ).
2. Luz mierzony jest przy 2% nominalnego momentu wyjściowego T2N
3. Wał obciążony centralnie przy 100 obr/min.
4. Wartości mierzone dla przekładni o i=10 (1 st.) oraz i=100 (2 st.), nie obciążonej przy prędkości 3000obr/min lub nominalnej prędkości wejściowej dla większych romiarach. przy niższym współczynniku i / lub wyższej prędkości obrotowej poziom hałasu może być od 3 do 5 dB wyższy.
5.Maks. Waga silnika [kg]*= (0.1xMb)/motor length [m]
* z symetrycznym rozłożeniem wagi silnika
* z poziomym i nieruchomym zamocowaniem

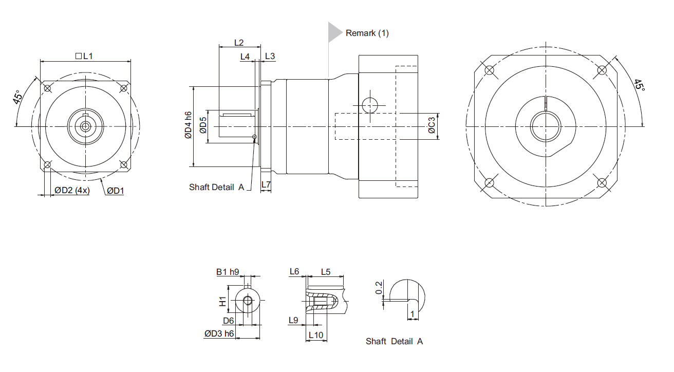
| Wymiary | PNII 017 1 -st. / 2-st. |
PNII 023 1-st. / 2 -st. |
PNII 034 1-st. / 2-st. |
PNII 042 1-st. / 2-st. |
PNII 056 1-st. / 2-st. |
|||||
| D1 | 43,815 | 66,675 | 98,425 | 125,73 | 177,8 | |||||
| D2 | 3,4 | 5,2 | 5,6 | 7,2 | 10,5 | |||||
| D3h6 | 12,7 | 12,7 | 19,05 | 25,4 | 38,1 | |||||
| D4h6 | 22 | 38,1 | 73,025 | 55,55 | 114,3 | |||||
| D5 | 17 | 17 | 30 | 35 | 55 | |||||
| D6 | M4X0.7P | M4X0.7P | M6X1P | M10X1.5P | M16X2P | |||||
| L1 | 41,91 | 57,15 | 82,55 | 106,68 | 146,05 | |||||
| L2 | 31,75 | 31,75 | 38,1 | 50,8 | 63,5 | |||||
| L3 | 1,6 | 1,6 | 1,6 | 1,6 | 3,2 | |||||
| L4 | 1 | 1 | 3,5 | 1,5 | 5,5 | |||||
| L5 | 19,05 | 19,05 | 25,4 | 31,75 | 38,1 | |||||
| L6 | 3,788 | 3,788 | 3,807 | 5,175 | 8,563 | |||||
| L7 | 6,35 | 9,525 | 9,525 | 12,7 | 19,05 | |||||
| L9 | 4,5 | 4,5 | 5 | 7,5 | 12 | |||||
| L10 | 10 | 10 | 16,5 | 22 | 36 | |||||
| B1h9 | 3,175 | 3,175 | 4,763 | 6,35 | 9,525 | |||||
| H1 | 14,125 | 14,125 | 21,163 | 28,2 | 42,275 | |||||
Dobierz odpowiednią dla siebie przekładnię planetarną, listwę zębatą lub zębnik i pobierz rysunki.