T2N : 8 Nm - 459 Nm
2-stopniowa : 15 / 16 / 20 / 25 / 30 / 35 / 40 / 50 / 70 / 100
3-stopniowa : 120 / 160 / 200 / 280 / 350 / 500 / 700 / 1000
1-stopniowa : < 6 ~ 8 arcmin
2-stopniowa : < 8 ~ 10 arcmin
3-stopniowa: < 10 ~ 12arcmin
1-stopniowa : > 97%
2-stopniowa : > 94%
3-stopniowa : > 91%
| Model nr | ilość stopni | Przełożenie | Typ | PGII040 PGIIR040 |
PGII060 PGIIR060 |
PGII080 PGIIR080 |
PGII120 PGIIR120 |
PGII160 PGIIR160 |
|
| Nominalny moment wyjściowy T2N | Nm | 1 | 3 | - | 16 | 42 | 110 | 217 | 430 |
| 4 | 16 | 42 | 113 | 223 | 440 | ||||
| 5 | 15 | 40 | 118 | 220 | 435 | ||||
| 7 | 12 | 35 | 96 | 198 | 366 | ||||
| 10 | 10 | 27 | 68 | 155 | 295 | ||||
| 2 | 15 | 15 | 40 | 109 | 213 | 424 | |||
| 16 | 16 | 42 | 116 | 228 | 452 | ||||
| 20 | 16 | 42 | 116 | 230 | 454 | ||||
| 25 | 15 | 40 | 123 | 228 | 450 | ||||
| 30 | 15 | 40 | 108 | 212 | 422 | ||||
| 35 | 12 | 35 | 100 | 206 | 382 | ||||
| 40 | 16 | 43 | 117 | 232 | 459 | ||||
| 50 | 15 | 40 | 123 | 228 | 450 | ||||
| 70 | 12 | 35 | 100 | 206 | 382 | ||||
| 100 | 10 | 27 | 70 | 162 | 308 | ||||
| 3 | 120 | 19 | 50 | 137 | - | - | |||
| 160 | 16 | 43 | 118 | - | - | ||||
| 200 | 16 | 43 | 118 | - | - | ||||
| 280 | 12 | 35 | 99 | - | - | ||||
| 350 | 12 | 35 | 99 | - | - | ||||
| 500 | 15 | 40 | 122 | - | - | ||||
| 700 | 12 | 35 | 99 | - | - | ||||
| 1000 | 10 | 27 | 70 | - | - | ||||
| Przeciążeniowy moment krytyczny T2NOT | Nm | 1,2,3 | 3-1000 | - | 3 razy T2N | ||||
| Maks. Moment przyśpieszenia | Nm | 1,2,3 | 3-1000 | - | T2B = 60% z T2NOT | ||||
| Moment bez obciążenia (4) | Nm | 1 | 3 - 10 | PG II | 0,05 | 0,1 | 0,4 | 0,8 | 2,5 |
| PG II R | 0,1 | 0,15 | 0,45 | 0,85 | 2,55 | ||||
| 2 | 15 - 100 | PG II | 0,05 | 0,1 | 0,3 | 0,4 | 0,8 | ||
| PG II R | 0,1 | 0,15 | 0,35 | 0,45 | 0,85 | ||||
| 3 | 120 - 1000 | PG II | 0,05 | 0,1 | 0,4 | - | - | ||
| PG II R | 0,1 | 0,15 | 0,45 | - | - | ||||
| Luz (2) | arcmin | 1 | 3 - 10 | PG II | < 8 | < 7 | < 6 | < 6 | < 6 |
| PG II R | < 12 | < 11 | < 10 | < 10 | < 10 | ||||
| 2 | 15 - 100 | PG II | < 10 | < 9 | < 8 | < 8 | < 8 | ||
| PG II R | < 14 | < 13 | < 12 | < 12 | < 12 | ||||
| 3 | 120 - 1000 | PG II | < 12 | < 11 | < 10 | - | - | ||
| PG II R | < 16 | < 15 | < 14 | - | - | ||||
| Sztywność na skręcanie | Nm/arcmin | 1,2,3 | 3 - 1000 | - | 0,5 | 2 | 8 | 12 | 16 |
| Nominalna prędkość wejściowa n1N | obr/min | 1,2,3 | 3 - 1000 | - | 4500 | 4000 | 3600 | 3600 | 2500 |
| Maksymalna prędkość wejściowa n1B | obr/min | 1,2,3 | 3 - 1000 | - | 8000 | 6000 | 6000 | 4800 | 3600 |
| Maks. Obciążenie promieniowe F2rB(3) | N | 1,2,3 | 3 - 1000 | - | 520 | 1030 | 1570 | 3590 | 4690 |
| Maks. Obciążenie osiowe F2aB(3) | N | 1,2,3 | 3 - 1000 | - | 260 | 515 | 785 | 1795 | 2345 |
| Temperatura pracy | °C | 1,2,3 | 3 - 1000 | - | 0 °C - 90 °C | ||||
| Poziom ochrony | 1,2,3 | 3 - 1000 | - | IP65 | |||||
| Smarowanie | 1,2,3 | 3 - 1000 | - | Syntetyczny olej przekładniowy | |||||
| Pozycja zamocowania | 1,2,3 | 3 - 1000 | - | Wszystkie kierunki | |||||
| Poziom hałasu(4) | dB (A) | 1,2,3 | 3 - 1000 | PG II | ≤60 | ≤62 | ≤64 | ≤66 | ≤68 |
| PG IIR | ≤70 | ≤72 | ≤ 74 | ≤ 75 | ≤ 77 | ||||
| Maksymalny moment gnący Mb(2) | Nm | 1,2,3 | 3 - 1000 | PG II | 5 | 12 | 22 | 45 | 54 |
| PG IIR | 3 | 6 | 10 | 17 | 19 | ||||
| Sprawność | % | 1 | 3 - 10 | PG II | ≥97% | ||||
| PG IIR | ≥93% | ||||||||
| 2 | 15 - 100 | PG II | ≥94% | ||||||
| PG IIR | ≥90% | ||||||||
| 3 | 120 - 1000 | PG II | ≥91% | ||||||
| PG IIR | ≥87% | ||||||||
1. Przełożenie (i =Nin / Nout ).
2. Luz mierzony jest przy 2% nominalnego momentu wyjściowego T2N
3. Wał obciążony centralnie przy 100 obr/min.
4. Wartości mierzone dla przekładni o i=10 (1 st.) oraz i=100 (2 st.), nie obciążonej przy prędkości 3000obr/min lub nominalnej prędkości wejściowej dla większych romiarach. przy niższym współczynniku i / lub wyższej prędkości obrotowej poziom hałasu może być od 3 do 5 dB wyższy.
5. Maks. Waga silnika [kg]*= (0.1xMb)/motor length [m]
* z symetrycznym rozłożeniem wagi silnika
* z poziomym i nieruchomym zamocowaniem
.png)
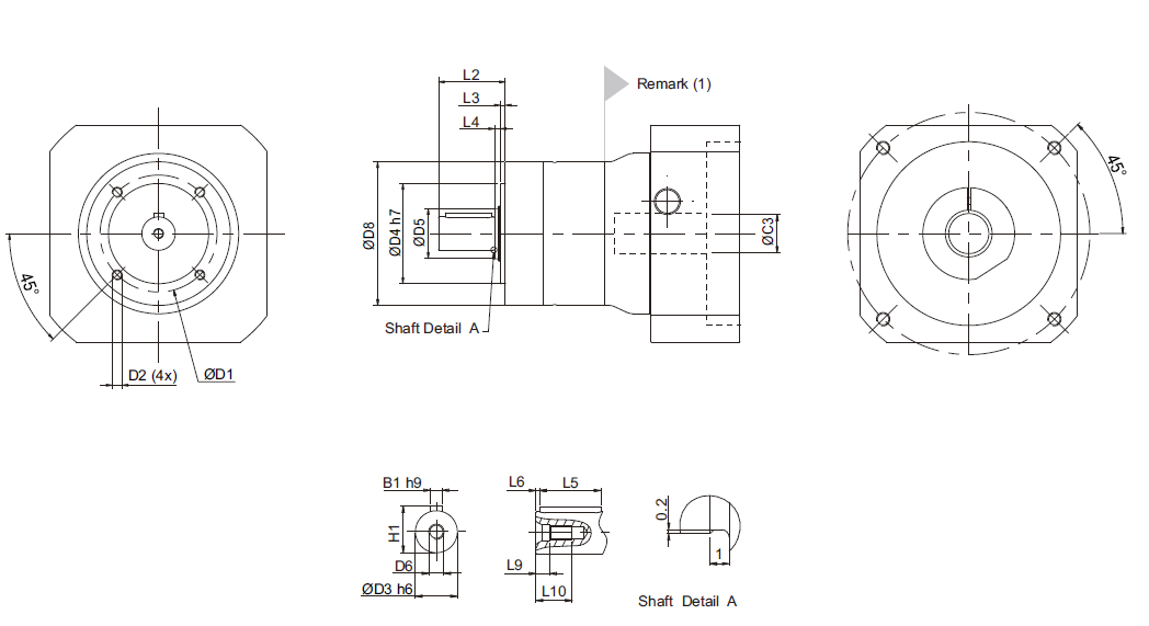
| Wymiary | PG II 040 1st. / 2st. / 3st. |
PG II 060 1st. / 2st. / 3st. |
PG II 080 1st. / 2st. / 3st. |
PG II 120 1st. / 2st. / 3st. |
PG II 160 1st. / 2st. / 3s. |
||||||||||
| D1 | 34 | 52 | 70 | 100 | 145 | ||||||||||
| D2 | M4X9 | M5X10 | M6X12 | M10X18 | M12X22 | ||||||||||
| D3h6 | 10 | 14 | 20 | 25 | 40 | ||||||||||
| D4h7 | 26 | 40 | 60 | 80 | 130,00 | ||||||||||
| D5 | 17 | 17 | 30 | 40 | 55 | ||||||||||
| D6 | M3X0.5P | M5X0.8P | M6X1P | M10X1.5P | M16X2P | ||||||||||
| D8 | 44 | 60 | 86 | 114 | 160 | ||||||||||
| L2 | 26 | 35 | 40 | 55 | 87 | ||||||||||
| L3 | 2 | 3 | 3 | 4 | 5 | ||||||||||
| L4 | 1 | 2 | 3,5 | 5 | 5,5 | ||||||||||
| L5 | 18 | 25 | 28 | 40 | 65 | ||||||||||
| L6 | 2,5 | 2,5 | 4 | 5 | 8 | ||||||||||
| L9 | 2,6 | 4,8 | 5 | 7,5 | 12 | ||||||||||
| L10 | 9 | 12,5 | 16,5 | 22 | 36 | ||||||||||
| B1h9 | 3 | 5 | 6 | 8 | 12 | ||||||||||
| H1 | 11,2 | 16 | 22,5 | 28 | 43 | ||||||||||
Dobierz odpowiednią dla siebie przekładnię planetarną, listwę zębatą lub zębnik i pobierz rysunki.