przekładnia planetarna Seria MFKB
przekładnie dedykowane do pracy cyklicznej
T2N : 55 Nm – 3,920 Nm
3-stopniowa : 48 / 64 / 84 / 100 / 125 / 140 / 175 / 200 / 250 / 280 / 350 / 400 / 500 / 700 / 1,000
3-stopniowa : ≤4arcmin
3-stopniowa : >92%
| Parametr | Stopień | Przełożenie1 | MFKB 075 | MFKB 100 | MFKB 140 | MFKB 180 | MFKB 210 | MFKB 240 | |
| Nominalny moment wyjściowy T2N | Nm | 3 | 48 | - | - | - | - | - | 3,280 |
| 64 | 165 | 310 | 690 | 1,425 | 1,680 | 3,280 | |||
| 84 | 165 | 300 | 670 | 1,380 | 1,680 | - | |||
| 100 | 165 | 290 | 655 | 1,355 | 2,085 | 3,830 | |||
| 125 | 190 | 330 | 730 | 1,355 | 2,095 | 3,850 | |||
| 140 | 170 | 285 | 630 | 1,310 | 2,100 | 3,860 | |||
| 175 | 190 | 325 | 705 | 1,370 | 2,115 | 3,885 | |||
| 200 | 175 |
290 |
605 | 1,265 | 2,100 | 3,900 | |||
| 250 | 195 | 335 | 680 | 1,380 | 2,135 | 3,920 | |||
| 280 | 180 | 300 | 610 | 1,230 | 1,560 | 3,000 | |||
| 350 | 200 | 345 | 705 | 1,395 | 1,950 | 3,750 | |||
| 400 | 160 | 330 | 670 | 1,330 | 1,440 | 2,400 | |||
| 500 | 200 | 380 | 760 | 1,405 | 1,800 | 3,000 | |||
| 700 | 135 | 325 | 670 | 1,240 | 1,875 | 3,005 | |||
| 1,000 | 55 | 160 | 380 | 660 | 1,065 | 1,725 | |||
| Moment przeciążeniowy T2NOT | Nm | 3 | 48~1,000 | 2 razy T2N | |||||
| Maksymalny moment przyspieszenia T2B | Nm | 3 | 48~1,000 | 1.5 razy T2N | |||||
| Moment bez obciążenia (2) | Nm | 3 | 48~1,000 | 0.2 | 0.2 | 0.3 | 0.4 | 1 | 1.2 |
| Luz (3) | arcmin | 3 | 48~1,000 | ≦ 4 | ≦ 4 | ≦ 4 | ≦ 4 | ≦ 4 | ≦ 4 |
| Sztywność na skręcanie | Nm/arcmin | 3 | 48~1,000 | 10 | 30 | 55 | 175 | 300 | 510 |
| Nominalna prędkość wejściowa n1N | rpm | 3 | 48~1,000 | 5,500 | 4,600 | 4,600 | 4,000 | 3,700 | 3,400 |
| Maksymalna prędkość wejściowa n1B | rpm | 3 | 48~1,000 | 7,000 | 7,000 | 7,000 | 6,000 | 5,500 | 5,000 |
| Maksymalne obciążenie promieniowe F2r(4) | N | 3 | 48~1,000 | 4,500 | 6,700 | 10,000 | 15,000 | 22,000 | 30,000 |
| Maksymalne obciążenie osiowe F2a(4) | N | 3 | 48~1,000 | 2,250 | 3,350 | 5,000 | 7,500 | 11,000 | 15,000 |
| Maksymalny moment gnący M2K(4) | Nm | 3 | 48~1,000 | 270 | 550 | 1,050 | 1,740 | 3,350 | 5,420 |
| Temperatura pracy | º C | 3 | 48~1,000 | -10º C~ 90º C | |||||
| Poziom ochrony | 3 | 48~1,000 | IP65 | ||||||
| Smarowanie | 3 | 48~1,000 | Syntetyczny olej przekładniowy | ||||||
| Pozycja mocowania | 3 | 48~1,000 | Wszystkie kierunki | ||||||
| Hałas (5) | dB(A) | 3 | 48~1,000 | ≦ 66 | ≦ 68 | ≦ 68 | ≦ 70 | ≦ 70 | ≦ 72 |
| Sprawność | % | 3 | 48~1,000 | ≧ 92% | |||||
1. Przełożenie (i=nwejściowe/wyjściowe)
2. Mierzone przy przełożeniu i = 1000 (3-st.) przy 3000 obr./min. bez obciążenia.
3. Luz mierzony jest przy 2% nominalnego momentu wyjściowego T2N
4. Dla wału obciążonego centralnie przy 100 obr./min.
5. Mierzone przy przełożeniu i=1000 (3-st.) przy 3000 obr./min. bez obciążenia.
Przy mniejszym przełożeniu i/lub wyższych obr./min. poziom hałasu może być 3 do 5 dB wyższy.
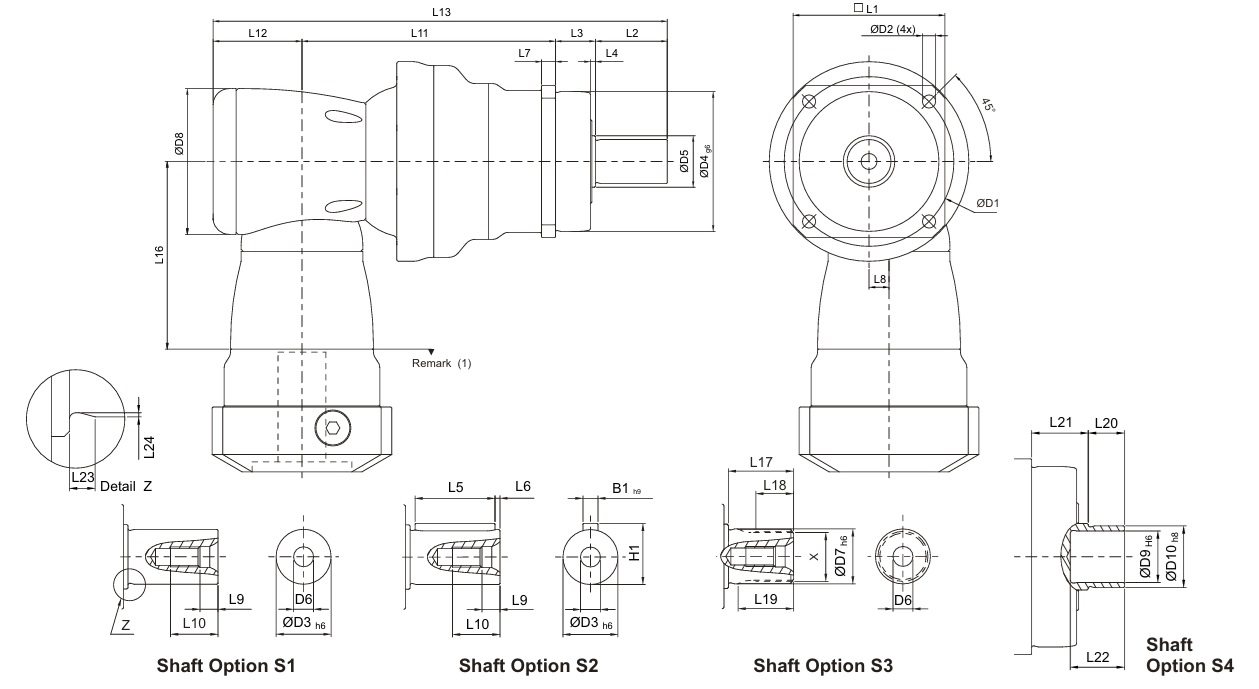
Seria MFKB, 3-st., przełożenie i = 48 - 1000:

| Wymiary | MFKB 075 | MFKB 100 | MFKB 140 | MFKB 180 | MFKB 210 | MFKB 240 | |
| D1 | 85 | 120 | 165 | 215 | 250 | 290 | |
| D2 | 7 | 9 | 11 | 13.5 | 17 | 17 | |
| D3 h6 | 22 | 32 | 40 | 55 | 75 | 85 | |
| D4 g6 | 70 | 90 | 130 | 160 | 180 | 200 | |
| D5 | 25.8 | 36.8 | 55.2 | 69.2 | 82.2 | 92.2 | |
| D6 | M8 x 1.25P | M12 x 1.75P | M16 x 2P | M20 x 2.5P | M20 x 2.5P | M20 x 2.5P | |
| D7 h6 | 22 | 32 | 40 | 55 | 75 | 85 | |
| D8 | 94 | 116 | 163 | 210 | 210 | 255 | |
| D9 H6 | 20 | 30 | 40 | 55 | - | - | |
| D10 h8 | 24 | 36 | 50 | 68 | - | - | |
| L1 | 76 | 101 | 141 | 182 | 215 | 245 | |
| L2 | 36 | 58 | 82 | 82 | 105 | 130 | |
| L3 | 20 | 30 | 30 | 30 | 38 | 40 | |
| L4 | 2.5 | 3 | 3 | 3 | 3 | 3 | |
| L5 | 32 | 50 | 63 | 70 | 90 | 125 | |
| L6 | 2 | 4 | 5 | 6 | 7 | 3 | |
| L7 | 7 | 10 | 12 | 15 | 17 | 22 | |
| L8 | 13 | 17 | 25 | 31 | 31 | 36 | |
| L9 | 7.2 | 10 | 12 | 15 | 15 | 15 | |
| L10 | 19 | 28 | 36 | 42 | 42 | 42 | |
| L11 | 135.5 | 152.5 | 191 | 248 | 270 | 336 | |
| L12 | 53 | 68.3 | 89 | 115 | 115 | 131 | |
| L13 | 244.5 | 308.8 | 392 | 475 | 528 | 637 | |
| L16 | 114.5 | 129 | 173.5 | 228 | 228 | 265.5 | |
| L17 | 26 | 26 | 40 | 41.5 | 52 | 60 | |
| L18 | 15 | 15 | 20 | 21.5 | 28 | 36 | |
| L19 | 22.5 | 23 | 33.5 | 33.5 | 45 | 53 | |
| L20 | 14 | 18 | 22 | 23 | - | - | |
| L21 | 22 | 32 | 33 | 32 | - | - | |
| L22 | 21 | 25 | 30 | 30 | - | - | |
| L23 | 2.5 | 2.5 | 2.5 | 2.5 | 2.5 | 4 | |
| L24 | 0.4 | 0.4 | 0.4 | 0.4 | 0.4 | 0.5 | |
| B1 h9 | 6 | 10 | 12 | 16 | 20 | 22 | |
| H1 | 24.5 | 35 | 43 | 59 | 79.5 | 90 | |
| X DIN5480 | W22 x 1.25 x 30 x 16 x 6m | W32 x 1.25 x 30 x 24 x 6m | W40 x 2 x 30 x 18 x 6m | W55 x 2 x 30 x 26 x 6m | W70 x 2 x 30 x 34 x 6m | W80 x 2 x 30 x 38 x 6m | |
Dobierz odpowiednią dla siebie przekładnię planetarną, listwę zębatą lub zębnik i pobierz rysunki.