przekładnia planetarna Seria KF (Spiral Bevel)
przekładnie dedykowane do pracy cyklicznej
T2N : 24 Nm - 1,300 Nm
1-stopniowa : 1 / 2
1-stopniowa :≤3 arcmin
1-stopniowa :≥97%
| Parametr | Ilość stopni | Przełożenie1 | KF 060 | KF 075 | KF 100 | KF 140 | KF 180 | KF 210 | KF 240 | |
| Nominalny moment wyjściowy T2N | Nm | 1 | 1 | 25 | 45 | 78 | 150 | 360 | 585 | 1,300 |
| 2 | 24 | 42 | 68 | 150 | 330 | 544 | 1,220 | |||
| Moment przeciążeniowy T2NOT | Nm | 1 | 1~2 | 2 razy T2N | ||||||
| Maksymalny moment przyspieszenia T2B | Nm | 1 | 1~2 | 1,5 razy T2N | ||||||
| Moment bez obciążenia(4) | Nm | 1 | 1~2 | 0.3 | 0.3 | 1.5 | 1.7 | 5.5 | 9 | 20 |
| Luz(2) | arcmin | 1 | 1~2 | ≦ 3 | ≦ 3 | ≦ 3 | ≦ 3 | ≦ 3 | ≦ 3 | ≦ 3 |
| Sztywność na skręcanie | Nm/arcmin | 1,2 | 1~2 | 0.8 | 3.5 | 9 | 20.5 | 44 | 80 | 168 |
| Nominalna prędkość wejściowa n1N | rpm | 1 | 1~2 | 6,500 | 4,500 | 3,500 | 2,000 | 1,500 | 1,200 | 1,000 |
| Maksymalna prędkość wejściowa n1B | rpm | 1 | 1~2 | 7,500 | 6,500 | 5,500 | 4,500 | 3,500 | 3,000 | 2,200 |
| Maksymalne obciążenie promieniowe F(3)2rB | N | 1,2 | 1~2 | 5,400 | 7,700 | 11,100 | 18,100 | 29,100 | 36,400 | 46,900 |
| Maksymalne obciążenie osiowe F2aB(3) | N | 1,2 | 1~2 | 2,700 | 3,850 | 5,550 | 9,050 | 14,550 | 18,200 | 23,450 |
| Temperatura pracy | º C | 1,2 | 1~2 | 0º C~ +90º C | ||||||
| Poziom ochrony | 1,2 | 1~2 | IP65 | |||||||
| Smarowanie | 1,2 | 1~2 | Syntetyczny olej przekładniowy | |||||||
| Poziom zamocowania | 1,2 | 1~2 | Wszystkie kierunki | |||||||
| Hałas(4) | dB(A) | 1,2 | 1~2 | ≦ 68 | ≦ 70 | ≦ 74 | ≦ 76 | ≦ 77 | ≦ 78 | ≦ 80 |
| Sprawność | % | 1 | 1~2 | ≧ 97% | ||||||
1. Przełożenie i=(nwejściowe/wyjściowe)
2. Luz mierzony jest przy 2% nominalnego momentu wyjściowego T2N
3. Dla wału obciążonego centralnie przy 100 obr./min.
4. Mierzone przy przełożeniu i=2 (1-st.) przy 3000 obr./min. bez obciążenia.
Przy mniejszym przełożeniu i/lub wyższych obr./min. poziom hałasu może być 3 do 5 dB wyższy.
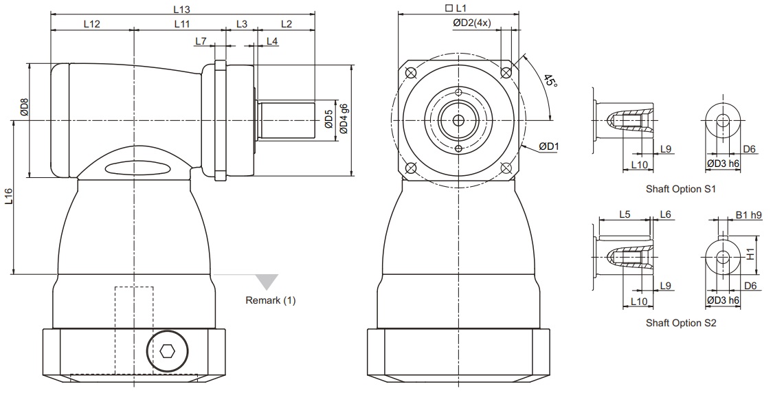
Seria KF (Spiral Bevel)

1. Ta część dopasowywana jest pod współpracujący silnik.
| Wymiary | KF060 | KF075 | KF100 | KF140 | KF180 | KF210 | KF240 |
| D1 H7 | 68 | 85 | 120 | 165 | 215 | 250 | 290 |
| D2 | 5.5 | 6.6 | 9 | 11 | 13.5 | 17 | 17 |
| D3 h6 | 16 | 22 | 32 | 40 | 55 | 75 | 85 |
| D4 g6 | 60 | 70 | 90 | 130 | 160 | 180 | 200 |
| D5 | 18.5 | 25.8 | 36.8 | 55.2 | 69.2 | 82.2 | 92.2 |
| D6 | M5X0.8P | M8X1.25P | M12X1.75P | M16X2P | M20X2.5P | M20X2.5P | M20X2.5P |
| D8 | 64 | 72 | 92 | 116 | 156 | 195 | 240 |
| L1 | 62 | 76 | 101 | 141 | 182 | 215 | 245 |
| L2 | 28 | 36 | 58 | 82 | 82 | 105 | 130 |
| L3 | 20 | 20 | 30 | 30 | 30 | 38 | 40 |
| L4 | 2 | 2.5 | 3 | 3 | 3 | 3 | 3 |
| L5 | 25 | 32 | 50 | 63 | 70 | 90 | 125 |
| L6 | 2 | 2 | 4 | 5 | 6 | 7 | 3 |
| L7 | 6 | 7 | 10 | 12 | 15 | 17 | 20 |
| L9 | 4.8 | 7.2 | 10 | 12 | 15 | 15 | 15 |
| L10 | 12.5 | 19 | 28 | 36 | 42 | 42 | 42 |
| L11 | 50 | 58 | 67.5 | 88 | 127 | 131.5 | 169 |
| L12 | 46.5 | 52.5 | 61.5 | 76 | 97.5 | 105.5 | 141 |
| L13 | 144.5 | 166.5 | 217 | 276 | 336.5 | 380 | 480 |
| L16 | 81.5 | 97 | 113.5 | 147.5 | 196.5 | 229 | 260 |
| B1h9 | 5 | 6 | 10 | 12 | 16 | 20 | 22 |
| H1 | 18 | 24.5 | 35 | 43 | 59 | 79.5 | 90 |
Dobierz odpowiednią dla siebie przekładnię planetarną, listwę zębatą lub zębnik i pobierz rysunki.