przekładnie dedykowane do pracy cyklicznej
1-stopniowa : 97%
2-stopniowa : 94%
| Parametr | Stopień | Przełożenie1 | ADS047 | ADS064 | ADS090 | ADS110 | ADS140 | ADS200 | ADS255 | |
| Nominalny moment wyjściowy T2N | Nm | 1 | 4 | 19 | 48 | 130 | 270 | 560 | 1,100 | 1,700 |
| 5 | 22 | 60 | 160 | 330 | 650 | 1,200 | 2,000 | |||
| 7 | 19 | 50 | 140 | 300 | 550 | 1,100 | 1,800 | |||
| 10 | 14 | 40 | 100 | 230 | 450 | 900 | 1,500 | |||
| 16 | 19 | 48 | 130 | 270 | 560 | 1,100 | 1,700 | |||
| 21 | 22 | 60 | 160 | 330 | 650 | 1,200 | 2,000 | |||
| 2 | 31 | 19 | 50 | 140 | 300 | 550 | 1,100 | 1,800 | ||
| 61 | 19 | 50 | 140 | 300 | 550 | 1,100 | 1,800 | |||
| 91 | 14 | 40 | 100 | 230 | 450 | 900 | 1,500 | |||
| Moment przeciążeniowy T2NOT2 | Nm | 1,2 | 4~91 | 3 razy nominalny moment wyjściowy | ||||||
| Nominalna prędkość wejściowa n1N | rpm | 1,2 | 4~91 | 5,000 | 5,000 | 4,000 | 4,000 | 3,000 | 3,000 | 2,000 |
| Maksymalna prędkość wejściowa n1B | rpm | 1,2 | 4~91 | 10,000 | 10,000 | 8,000 | 7,500 | 4,500 | 4,500 | 3,800 |
| Luz mikro P0 | arcmin | 1 | 4~10 | - | - | ≤1 | ≤1 | ≤1 | ≤1 | ≤1 |
| 2 | 16~91 | - | - | - | ≤3 | ≤3 | ≤3 | ≤3 | ||
| Luz zredukowany P1 | arcmin | 1 | 4~10 | ≤3 | ≤3 | ≤3 | ≤3 | ≤3 | ≤3 | ≤3 |
| 2 | 16~91 | ≤5 | ≤5 | ≤5 | ≤5 | ≤5 | ≤5 | ≤5 | ||
| Luz standard P2 | arcmin | 1 | 4~10 | ≤5 | ≤5 | ≤5 | ≤5 | ≤5 | ≤5 | ≤5 |
| 2 | 16~91 | ≤7 | ≤7 | ≤7 | ≤7 | ≤7 | ≤7 | ≤7 | ||
| Sztywność na skręcanie | Nm/arcmin | 1,2 | 4~91 | 3 | 7 | 14 | 25 | 50 | 145 | 225 |
| Maksymalny moment gnący | Nm | 1,2 | 4~91 | 55 | 75 | 190 | 300 | 1,300 | 2,930 | 5,500 |
| Maksymalne obciążenie osiowe | N | 1,2 | 4~91 | 990 | 1,050 | 2,850 | 2,990 | 10,590 | 16,660 | 29,430 |
| Największe obciążenie promieniowe na wejściu F1rB3 | N | 1 | 4~10 | 165 | 395 | 1,300 | 1,525 | 2,800 | 4,500 | 12,500 |
| 2 | 16~91 | 165 | 165 | 395 | 1,300 | 1,525 | 2,800 | 4,500 | ||
| Inajwiększe obciążenie osiowe na wejściu F1aB3 | N | 1 | 4~10 | 580 | 1,000 | 1,100 | 980 | 2,700 | 4,700 | 8,000 |
| 2 | 16~91 | 580 | 580 | 1,000 | 1,100 | 980 | 2,700 | 4,700 | ||
| Sprawność | % | 1 | 4~10 | ≥97% | ||||||
| 2 | 16~91 | ≥94% | ||||||||
| Weight | kg | 1 | 4~10 | 0.8 | 1.4 | 3.4 | 6.7 | 13.5 | 35.0 | 63.8 |
| 2 | 16~91 | 1.1 | 1.6 | 4.0 | 7.3 | 16.6 | 36.4 | 74.7 | ||
| Temperatura pracy | °C | 1,2 | 4~91 | -10°C~90°C | ||||||
| Smarowanie | Syntetyczne oleje przekładniowe | |||||||||
| Poziom ochrony | 1,2 | 4~91 | IP65 | |||||||
| Pozycja zamocowania | 1,2 | 4~91 | Wszystkie kierunki | |||||||
| Hałas4 | dB(A) | 1,2 | 4~91 | ≤56 | ≤58 | ≤60 | ≤63 | ≤65 | ≤67 | ≤70 |
1. Przełożenie (i=nwejściowe/wyjściowe)
2. Maksymalny moment przyśpieszenia T2B = 60% z T2NOT
3. Dla wału obciążonego centralnie przy 100 obr./min.
4. Mierzone przy przełożeniu i=10 (1-st.) lub i-100 (2-st.) przy 3000 obr./min. bez obciążenia.
Przy mniejszym przełożeniu i/lub wyższych obr./min. poziom hałasu może być wyższy.
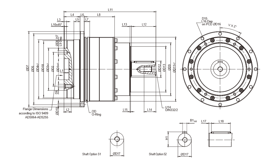
Seria ADS, 1-st., przełożenie i = 4 - 10:
.png)
| Wymiary | ADS047 | ADS064 | ADS090 | ADS110 | ADS140 | ADS200 | ADS255 |
| D1 H7 | 12 | 20 | 31.5 | 40 | 50 | 80 | 100 |
| D2 | 20 | 31.5 | 50 | 63 | 80 | 125 | 140 |
| D3 h7 | 28 | 40 | 63 | 80 | 100 | 160 | 180 |
| D4 h7 | 47 | 64 | 90 | 110 | 140 | 200 | 255 |
| D5 | 67 | 79 | 109 | 135 | 168 | 233 | 280 |
| D6 | 4 x M3 x 0.5P | 7 x M5 x 0.8P | 7 x M6 x 1P | 11 x M6 x 1P | 11 x M8 x 1.25P | 11 x M10 x 1.5P | 12 x M16 x 2P |
| D7 | 72 | 86 | 118 | 145 | 179 | 247 | 300 |
| D8 H7 | 3 | 5 | 6 | 6 | 8 | 10 | 12 |
| D9 | 43 | 55 | 78 | 100 | 125 | 175 | 210 |
| D10 | 8 x 3.4 | 8 x 4.5 | 8 x 5.5 | 8 x 5.5 | 12 x 6.6 | 12 x 9 | 16 x 13.5 |
| D11 h7 | 60 | 70 | 95 | 120 | 152 | 212 | 255 |
| D12 | 31 | 22 | 22 | 30 | 40 | 75 | 95 |
| D13 | 37 | 50 | 62 | 82 | 108 | 145 | 172 |
| D14 | M4 x 0.7P | M4 x 0.7P | M5 x 0.8P | M8 x 1.25P | M12 x 1.75P | M16 x 2P | M20 x 2.5P |
| D15 | M3 x 0.5P | M3 x 0.5P | M4 x 0.7P | M5 x 0.8P | M6 x 1P | M8 x 1.25P | M8 x 1.25P |
| D16 | 51.5 | 61.5 | 84 | 107 | 137 | 193 | 235 |
| D17 K6 | 11 | 14 | 16 | 22 | 32 | 40 | 55 |
| D18 | 46.2 | 63.2 | 89.2 | 109.2 | 139.2 | 199.2 | 254.2 |
| L1 | 4 | 8 | 12 | 12 | 12 | 16 | 20 |
| L2 | 6,5 | 8 | 13.5 | 13.5 | 17 | 22.5 | 30.5 |
| L3 | 3 | 3 | 6 | 6 | 6 | 8 | 12 |
| L4 | 19.5 | 19.5 | 30 | 29 | 38 | 50 | 66 |
| L5 | 7 | 7 | 10 | 10 | 14.6 | 15 | 20 |
| L6 | 4 | 4 | 7 | 8 | 10 | 12 | 18 |
| L7 | 5 | 7.7 | 8 | 10 | 12 | 15 | 20 |
| L8 | 32.5 | 43.5 | 47 | 62 | 72 | 89.5 | 112 |
| L9 | 4 | 6 | 7 | 7 | 7 | 10 | 10 |
| L10 | 0.5 | 0.5 | 1 | 1 | 1 | 1 | 1 |
| L11 | 89.5 | 110.5 | 138.5 | 170 | 218 | 296 | 372.5 |
| L12 | 18 | 22 | 28 | 36 | 58 | 82 | 115 |
| L13 | 2.5 | 2.5 | 3.5 | 3.5 | 3.5 | 4.5 | 4.5 |
| L14 | 10 | 10 | 12.5 | 19 | 28 | 36 | 42 |
| L15 | 1.5 | 1.5 | 1.5 | 1.5 | 1.5 | 1.5 | 1.5 |
| L16 | 5.5 | 5.5 | 7 | 9 | 11 | 14 | 14 |
| L17 | 2 | 2 | 3 | 3 | 6 | 6 | 7 |
| L18 | 14 | 18 | 22 | 28 | 45 | 70 | 90 |
| B1 h9 | 4 | 5 | 5 | 6 | 10 | 12 | 16 |
| H1 | 12.5 | 16 | 18 | 24.5 | 35 | 43 | 59 |
| OD | 56 x 2 | 66 x 2 | 90 x 3 | 110 x 3 | 145 x 3 | 200 x 5 | 238 x 5 |
| V | 4 | 4 | 4 | 4 | 6 | 6 | 6 |
| Z | 45 | 45 | 45 | 45 | 30 | 30 | 30 |
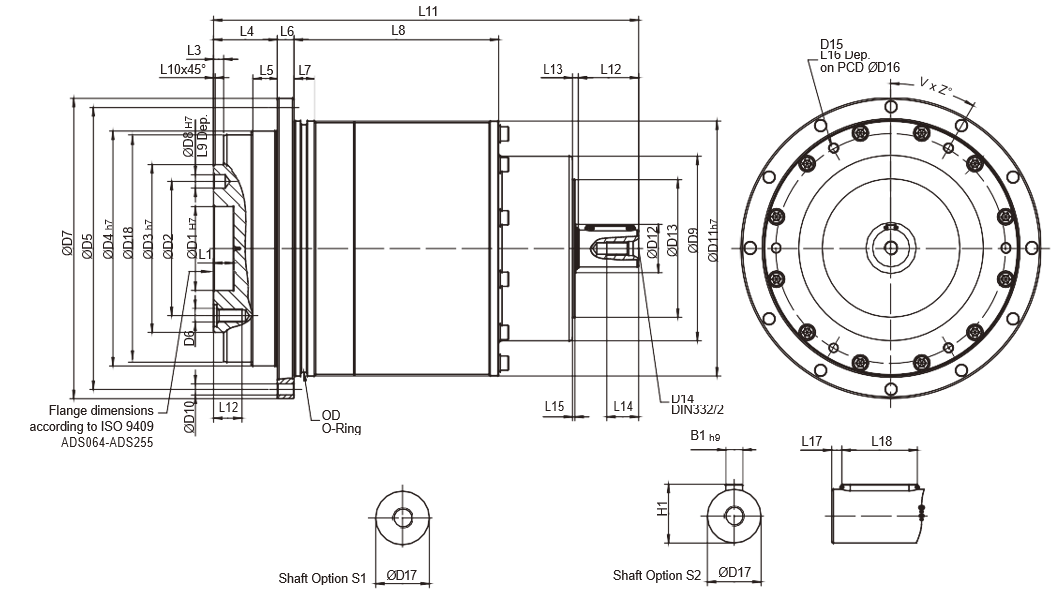
Seria ADS, 2-st., przełożenie i = 16 - 91:
.png)
| Wymiary | ADS047 | ADS064 | ADS090 | ADS110 | ADS140 | ADS200 | ADS255 |
| D1 H7 | 12 | 20 | 31.5 | 40 | 50 | 80 | 100 |
| D2 | 20 | 31.5 | 50 | 63 | 80 | 125 | 140 |
| D3 h7 | 28 | 40 | 63 | 80 | 100 | 160 | 180 |
| D4 h7 | 47 | 64 | 90 | 110 | 140 | 200 | 255 |
| D5 | 67 | 79 | 109 | 135 | 168 | 233 | 280 |
| D6 | 4 x M3 x 0.5P | 7 x M5 x 0.8P | 7 x M6 x 1P | 11 x M6 x 1P | 11 x M8 x 1.25P | 11 x M10 x 1.5P | 12 x M16 x 2P |
| D7 | 72 | 86 | 118 | 145 | 179 | 247 | 300 |
| D8 H7 | 3 | 5 | 6 | 6 | 8 | 10 | 12 |
| D9 | 43 | 48 | 68 | 86 | 110 | 132 | 182 |
| D10 | 8 x 3.4 | 8 x 4.5 | 8 x 5.5 | 8 x 5.5 | 12 x 6.6 | 12 x 9 | 16 x 13.5 |
| D11 h7 | 60 | 70 | 95 | 120 | 152 | 212 | 255 |
| D12 | 22 | 22 | 22 | 22 | 30 | 40 | 75 |
| D13 | 37 | 37 | 50 | 62 | 82 | 108 | 145 |
| D14 | M4 x 0.7P | M4 x 0.7P | M4 x 0.7P | M5 x 0.8P | M8 x 1.25P | M12 x 1.75P | M16 x 2P |
| D15 | M3 x 0.5P | M3 x 0.5P | M4 x 0.7P | M5 x 0.8P | M6 x 1P | M8 x 1.25P | M10 x 1.5P |
| D16 | 51.5 | 61.5 | 84 | 107 | 137 | 193 | 235 |
| D17 K6 | 11 | 11 | 14 | 16 | 22 | 32 | 40 |
| D18 | 46.2 | 63.2 | 89.2 | 109.2 | 139.2 | 199.2 | 254.2 |
| L1 | 4 | 8 | 12 | 12 | 12 | 16 | 20 |
| L2 | 6.5 | 8 | 13.5 | 13.5 | 17 | 22.5 | 30.5 |
| L3 | 3 | 3 | 6 | 6 | 6 | 8 | 12 |
| L4 | 19.5 | 19.5 | 30 | 29 | 38 | 50 | 66 |
| L5 | 7 | 7 | 10 | 10 | 14.6 | 15 | 20 |
| L6 | 4 | 4 | 7 | 8 | 10 | 12 | 18 |
| L7 | 5 | 7.7 | 8 | 10 | 12 | 15 | 20 |
| L8 | 62.5 | 63.5 | 67 | 82 | 122 | 79.5 | 177 |
| L9 | 4 | 6 | 7 | 7 | 7 | 10 | 10 |
| L10 | 0.5 | 0.5 | 1 | 1 | 1 | 1 | 1 |
| L11 | 119.5 | 125.5 | 158.5 | 188 | 253.5 | 314.5 | 419.5 |
| L12 | 18 | 18 | 22 | 28 | 36 | 58 | 82 |
| L13 | 2.5 | 2.5 | 2.5 | 3.5 | 3.5 | 3.5 | 4.5 |
| L14 | 10 | 10 | 10 | 12.5 | 19 | 28 | 36 |
| L15 | 1.5 | 1.5 | 1.5 | 1.5 | 1.5 | 1.5 | 1.5 |
| L16 | 5.5 | 5.5 | 7 | 9 | 11 | 14 | 18 |
| L17 | 2 | 2 | 2 | 3 | 3 | 6 | 6 |
| L18 | 14 | 14 | 18 | 22 | 28 | 45 | 70 |
| B1 h9 | 4 | 4 | 5 | 5 | 6 | 10 | 12 |
| H1 | 12.5 | 12.5 | 16 | 18 | 24.5 | 35 | 43 |
| OD | 56 x 2 | 66 x 2 | 90 x 3 | 110 x 3 | 145 x 3 | 200 x 5 | 238 x 5 |
| V | 4 | 4 | 4 | 4 | 6 | 6 | 6 |
| Z | 45 | 45 | 45 | 45 | 30 | 30 | 30 |
Dobierz odpowiednią dla siebie przekładnię planetarną, listwę zębatą lub zębnik i pobierz rysunki.